Khí nén là gì? Cấu tạo, ứng dụng và ưu, nhược Điểm

Khí nén đã trở thành một nguồn năng lượng không thể thiếu trong cuộc sống hiện đại và các ngành công nghiệp. Từ những ứng dụng đơn giản như bơm lốp xe đến các hệ thống tự động hóa phức tạp trong nhà máy, khí nén luôn mang lại hiệu quả cao. Trong bài viết này, Kim Trường Phúc sẽ cung cấp cho bạn cái nhìn toàn diện về khí nén để ứng dụng hiệu quả trong thực tế.

1. Khí nén là gì?

Khí nén là một dạng năng lượng được tạo ra thông qua quá trình nén không khí tự nhiên hoặc các hợp chất khí hoá học dưới áp suất cao, thường dao động từ 6 bar đến 10 bar (tương đương 90–145 psi) trong các hệ thống công nghiệp thông thường. Một số hệ thống đặc biệt có thể sử dụng áp suất cao hơn, như 3000–3600 psi (~200–250 bar) trong ngành công nghiệp khí chuyên biệt hoặc y tế. Bản chất của không khí được nén là một hỗn hợp khí đa thành phần, trong đó nitơ chiếm 78% và oxy chiếm 21% tổng thể tích.

khí nén
Khí nén là dạng năng lượng được tạo ra thông qua quá trình nén không khí dưới áp suất cao

Quá trình hình thành khí nén diễn ra khi thể tích khí được giảm xuống, tạo ra áp suất lớn hơn, từ đó chuyển hóa thành một nguồn năng lượng có hiệu suất cao. Điều đặc biệt quan trọng là khí nén không chứa các chất gây cháy nổ và có thể đạt mức độ tinh khiết cao nếu được xử lý đúng quy trình, đặc biệt trong các ứng dụng yêu cầu như y tế hoặc thực phẩm.

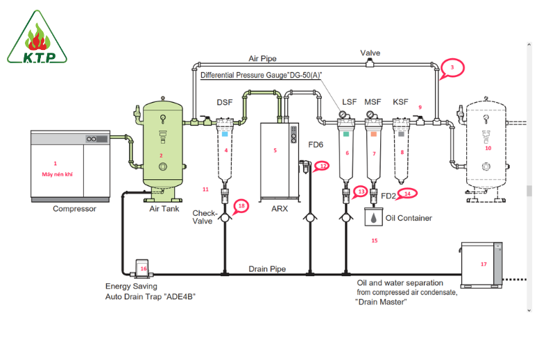
2. Cấu tạo của hệ thống khí nén

Hệ thống khí nén được thiết kế với cấu trúc phức tạp bao gồm nhiều thành phần quan trọng. Mỗi bộ phận đều có vai trò riêng biệt trong việc tạo ra và duy trì nguồn năng lượng hiệu quả như:

  • Máy nén khí: Đóng vai trò trung tâm của hệ thống, chịu trách nhiệm hút không khí từ môi trường xung quanh, thực hiện quá trình nén và đưa vào bình tích trữ. Đây là thiết bị quyết định đến chất lượng và hiệu suất của toàn bộ hệ thống.

  • Bình tích áp: Có chức năng lưu trữ khí sau khi được nén và đóng vai trò quan trọng trong việc giảm thiểu các xung áp suất từ máy nén, đảm bảo nguồn cung khí ổn định và liên tục cho các thiết bị sử dụng cuối.

  • Thiết bị xử lý khí: Bao gồm một loạt các bộ phận như bộ lọc khí đầu vào, hệ thống làm mát sau nén, thiết bị sấy khô và bẫy lọc độ ẩm. Hệ thống này có nhiệm vụ loại bỏ tối đa các tạp chất, hơi nước có thể gây ăn mòn và gỉ sét trong đường ống cũng như các bộ phận điều khiển.

  • Bộ lọc khí đầu vào: Có vai trò ngăn chặn bụi bẩn xâm nhập vào máy nén, bởi các hạt bụi có thể gây tắc nghẽn van, làm mòn trục vít và các linh kiện khác trong hệ thống.

  • Hệ thống đường ống: Được thiết kế để phân phối khí nén đến các thiết bị sử dụng cuối một cách hiệu quả. Thị trường hiện có ba loại đường ống phổ biến bao gồm ống kim loại, ống cao su và ống nhựa mềm, mỗi loại có đặc tính và ứng dụng riêng.

  • Bộ điều khiển khí nén: Bao gồm cảm biến áp suất, bộ điều chỉnh lưu lượng và bộ điều khiển tự động như PLC. Thành phần này đóng vai trò điều phối các thao tác của hệ thống, đảm bảo tính chính xác, tiết kiệm năng lượng và hỗ trợ tự động hoá.


Sơ đồ minh hoạ cấu tạo của hệ thống khí nén

3. Ưu và nhược điểm của khí nén

Như mọi công nghệ khác, khí nén sở hữu những điểm mạnh nổi bật cũng như một số hạn chế cần được xem xét kỹ lưỡng trước khi đưa vào ứng dụng thực tế. Cụ thể như sau:

3.1. Ưu điểm

Các ưu điểm nổi bật của khí nén có thể kể đến như: 

  • Khả năng lưu trữ năng lượng: Không khí có đặc tính chịu nén và đàn hồi tốt, cho phép lưu giữ trong các bình chứa với áp suất cao mà không cần diện tích lớn, mang lại lợi ích tối ưu về mặt không gian.

  • Tính an toàn cao: So sánh với việc sử dụng điện năng, hệ thống khí nén thể hiện mức độ an toàn vượt trội, loại bỏ hoàn toàn nguy cơ cháy nổ và các sự cố điện có thể xảy ra.

  • Thân thiện với môi trường: Sau khi hoàn thành công việc cơ học, khí nén có thể được xả ra môi trường mà không gây ra bất kỳ ô nhiễm nào, đóng góp tích cực vào việc bảo vệ hệ sinh thái.

  • Khả năng truyền tải từ xa: Nhờ độ nhớt động học thấp và tổn thất áp suất trên đường ống khá nhỏ, khí nén có thể truyền năng lượng đi khoảng cách xa một cách hiệu quả.

  • Chi phí đầu tư hợp lý: Việc thiết lập một hệ thống truyền động bằng khí nén thường có chi phí thấp, đặc biệt có lợi thế trong các nhà máy đã có sẵn hạ tầng đường dẫn khí.

ưu điểm của khí nén
Khí nén có tính an toàn cao và thân thiện với môi trường

3.2. Nhược điểm

Mặc dù sở hữu nhiều ưu điểm, khí nén vẫn tồn tại một vài hạn chế cần được cân nhắc kỹ lưỡng trong quá trình lựa chọn và ứng dụng như:

  • Lực truyền tải hạn chế: Hệ thống khí nén thường có công suất truyền động thấp, khó đáp ứng các ứng dụng cần lực lớn. Khi cần công suất cao, chi phí đầu tư và vận hành có thể vượt xa so với các hệ thống truyền động điện.

  • Tốc độ vận hành thiếu ổn định: Do đặc tính đàn hồi của khí và sự dao động áp suất, tốc độ truyền động dễ bị ảnh hưởng khi tải trọng thay đổi, khiến việc kiểm soát và duy trì tốc độ ổn định trở nên khó khăn.

4. Các thiết bị sử dụng khí nén phổ biến

Tùy vào mục đích và quy mô ứng dụng, nhiều loại thiết bị khí nén đã được phát triển để đáp ứng nhu cầu đa dạng. Dưới đây là những thiết bị sử dụng khí nén phổ biến nhất hiện nay:

  • Máy nén khí: Là thiết bị quan trọng và phổ biến nhất trong các hệ thống sử dụng khí nén, đặc biệt trong lĩnh vực sản xuất và kinh doanh. Thiết bị này có chức năng nén không khí từ môi trường xung quanh, tạo ra áp suất cần thiết để cung cấp năng lượng cho các thiết bị vận hành bằng khí nén. Dựa vào cấu tạo và nguyên lý hoạt động, máy nén khí được phân thành ba loại chính:

    • Máy nén khí piston;

    • Máy nén khí trục vít;

    • Máy nén khí không dầu.

  • Bình chứa khí: Tích lũy khí nén từ máy nén và cung cấp khí đều đặn cho hệ thống khi cần thiết. Nhờ đó, không chỉ giúp giảm tải cho máy nén khí, kéo dài tuổi thọ thiết bị, mà còn hạn chế tình trạng dao động áp suất.

  • Van khí nén: Có nhiệm vụ kiểm soát dòng chảy của khí nhằm đảm bảo hệ thống vận hành chính xác và hiệu quả. Tùy theo chức năng, van khí nén có thể thực hiện các thao tác như đóng/mở dòng khí, điều chỉnh lưu lượng, thay đổi hướng dòng chảy hoặc kiểm soát áp suất. Dưới đây là một số loại van khí nén phổ biến, mỗi loại phù hợp với các ứng dụng và yêu cầu kỹ thuật khác nhau:

    • Van một chiều: Cho phép khí nén lưu thông theo một hướng duy nhất, ngăn dòng khí chảy ngược.

    • Van tiết lưu: Điều chỉnh lưu lượng khí bằng cách thay đổi tiết diện dòng chảy, giúp kiểm soát tốc độ thiết bị.

    • Van điện từ: Sử dụng tín hiệu điện để đóng/mở hoặc chuyển hướng dòng khí, thường dùng trong các hệ thống tự động (kết nối tín hiệu điều khiển tự động như PLC).

    • Van cơ: Được điều khiển bằng tác động cơ học như lực nhấn, kéo, đạp... phù hợp với môi trường đơn giản, không yêu cầu tự động hóa.

  • Xi lanh khí nén: Còn được gọi là ben khí nén, là bộ phận chấp hành trong hệ thống khí nén, có nhiệm vụ chuyển đổi năng lượng khí nén thành động năng để thực hiện các thao tác cơ học như đẩy, ép, xoay, nén hoặc nghiền. 

  • Bộ lọc khí nén: Là thiết bị quan trọng giúp đảm bảo chất lượng khí trong hệ thống, bằng cách loại bỏ các tạp chất như bụi bẩn, hơi nước, dầu và các chất gây ô nhiễm khác. Bộ lọc khí nén thường được lắp đặt ở đầu vào hệ thống hoặc ngay trước các thiết bị quan trọng như van, xi lanh... nhằm đảm bảo khí nén luôn sạch trước khi đi vào quá trình vận hành.


Máy khoan khí là thiết bị sử dụng khí nén phổ biến hiện nay
  • Máy khoan khí: Là thiết bị sử dụng khí nén làm nguồn năng lượng để tạo ra chuyển động quay. Với thiết kế nhỏ gọn, dễ thao tác, độ an toàn cao và hiệu suất ổn định, máy khoan khí nén được ứng dụng rộng rãi trong các lĩnh vực gia công cơ khí, chế tạo, bảo trì máy móc và ngành xây dựng.

  • Máy phun sơn: Là thiết bị dùng áp lực khí nén để tạo lực đẩy sơn từ bình chứa, dẫn sơn qua ống và phun đều lên bề mặt vật liệu. Nhờ khả năng tạo lớp sơn mịn, bám dính tốt và tiết kiệm thời gian thi công, máy phun sơn khí nén được ứng dụng rộng rãi trong ngành công nghiệp sơn phủ, cơ khí, nội thất và xây dựng.

  • Máy cắt Plasma: Là thiết bị ứng dụng khí nén kết hợp với hồ quang điện để tạo ra luồng plasma nhiệt độ cao, đủ sức nóng chảy và cắt đứt kim loại một cách nhanh chóng. Nhờ khả năng cắt chính xác, đường cắt gọn và ứng dụng được trên nhiều loại vật liệu như thép, inox, nhôm...

5. Ứng dụng của khí nén trong đời sống và công nghiệp

Khí nén đã trở thành một phần không thể thiếu trong nhiều lĩnh vực, từ công nghiệp nặng đến đời sống hàng ngày, mang lại hiệu quả và tiện ích to lớn cho con người. Hãy cùng điểm qua những lĩnh vực tiêu biểu đang khai thác hiệu quả nguồn năng lượng này nhé.

5.1. Trong công nghiệp

Khí nén được sử dụng rộng rãi trong nhiều ngành công nghiệp nhờ khả năng vận hành linh hoạt và an toàn. Dưới đây là một số lĩnh vực tiêu biểu ứng dụng khí nén trong sản xuất và vận hành:

  • Điều khiển và tự động hóa: Khí nén được ứng dụng rộng rãi trong việc vận hành các thiết bị, máy móc sản xuất như máy CNC, máy đóng gói, máy ép và các hệ thống tự động hóa hiện đại.

  • Sản xuất và chế tạo: Cung cấp năng lượng cho máy cắt, máy mài và các thiết bị trong ngành gia công kim loại, sản xuất ô tô, công nghiệp giấy và bao bì.

  • Công nghiệp thực phẩm: Được sử dụng trong quy trình đóng gói, vận chuyển thực phẩm và cung cấp khí cho các thiết bị trong quá trình sản xuất, đảm bảo vệ sinh an toàn thực phẩm.

  • Công nghiệp dược phẩm: Cung cấp khí cho các thí nghiệm hóa sinh, quy trình chế tạo và sấy khô thuốc, đáp ứng các tiêu chuẩn nghiêm ngặt của ngành dược.

  • Khai thác khoáng sản: Vận hành máy bơm, thiết bị truyền động và hỗ trợ thăm dò độ sâu trong các hoạt động khai thác.


Khí nén được ứng dụng trong nhiều ngành công nghiệp như tự động hoá, thực phẩm, dược phẩm...

5.2. Trong đời sống

Không chỉ trong công nghiệp, khí nén còn được ứng dụng nhiều trong đời sống hàng ngày, điển hình như:

  • Sửa chữa xe: Ứng dụng trong việc bơm lốp xe và vận hành một số dụng cụ trong garage như súng xiết bu lông, mang lại hiệu quả cao trong công việc bảo dưỡng.

  • Y tế và nha khoa: Vận hành các hệ thống hô hấp, máy thở, khử trùng dụng cụ y tế và cung cấp năng lượng cho một số thiết bị nha khoa như máy nhổ răng, vệ sinh răng miệng.

  • Vệ sinh: Sử dụng trong máy rửa xe để tạo áp suất cao, thông cống và làm sạch bụi trong các đường ống, nâng cao hiệu quả công việc vệ sinh.

6. Hướng dẫn bảo trì hệ thống khí nén

Để đảm bảo hệ thống khí nén hoạt động hiệu quả và bền bỉ, việc bảo trì định kỳ theo đúng quy trình là vô cùng quan trọng. Sau đây là hướng dẫn chi tiết cách bảo trì hệ thống mà doanh nghiệp có thể tham khảo:

Đối với bảo trì hằng ngày:

  • Xả chất ngưng tụ từ bộ lọc và bình chứa khí, đặc biệt lưu ý khi độ ẩm môi trường cao và không có bộ xả tự động;

  • Kiểm tra phần mực dầu trong bộ phận bôi trơn (nếu có) và theo dõi chặt chẽ nhiệt độ hoạt động của máy nén.

bảo trì định kỳ hệ thống khí nén
Việc bảo trì định kỳ giúp hệ thống khí nén hoạt động hiệu quả và bền bỉ

Đối với bảo trì hằng tuần:

  • Kiểm tra và vệ sinh kỹ lưỡng bộ lọc khí đầu vào để tránh tình trạng máy hoạt động quá tải;

  • Kiểm tra kỹ các bộ phận phát tín hiệu, đồng hồ áp suất và hoạt động của bộ bôi trơn.

Đối với bảo trì mỗi 3 tháng:

  • Kiểm tra rò rỉ ở các vòng đệm kín tại những điểm nối và siết chặt lại nếu cần;

  • Làm sạch các ống lọc trong bộ phận lọc khí bằng nước xà phòng và luôn thổi khô bằng khí nén;

  • Thay đường ống khí nén được nối với các bộ phận chuyển động.

Đối với bảo trì mỗi 6 tháng:

  • Kiểm tra lại sự mài mòn của ống lót thanh truyền bên trong xi lanh và thay thế nếu cần thiết;

  • Thay thế các vòng gạt dầu và vòng đệm kín trên piston.

Khí nén thực sự là một nguồn năng lượng đa năng và hiệu quả, mang lại giá trị to lớn cho cả công nghiệp và đời sống. Từ những ứng dụng cơ bản đến các hệ thống phức tạp, khí nén đã chứng minh được tính ưu việt về mặt an toàn, môi trường và kinh tế. Nếu còn điều gì băn khoăn về khí nén hoặc doanh nghiệp của bạn đang tìm kiếm giải pháp lò hơi công nghiệp hiệu quả, hãy liên hệ ngay với Kim Trường Phúc để được tư vấn nhé!

04/08/2025
SEO DO

Viết bình luận của bạn

Zalo Kim Trường Phúc
Facebook Kim Trường Phúc
Hotline Kim Trường Phúc